特性


外形圖

向下滾動
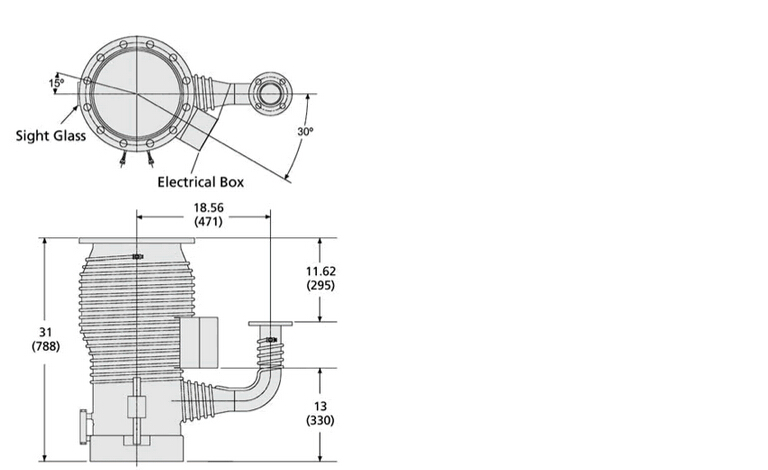
VHS 系列泵具有 4 英寸、6 英寸、250 mm、10 英寸和 400 mm 多種尺寸,是當今同尺寸擴散泵中快、潔凈的產品。VHS 系列擁有專利的凸腔設計能使氣體捕集量翻倍,并且可以保持更低的壓力。所有 VHS 系列泵都配有油位觀察窗/注油和放油組件,便于連續監測和對泵油的維護。鰭片式加熱盤設計增大了表面積,并延長了泵油的使用壽命。過熱保護開關和速冷盤管也是標準配置。4 英寸、6 英寸和 10 英寸泵可隨泵訂購 ASA 或 ISO 法蘭、標準或外延冷卻帽,還有多種電壓型號可選。
特性


外形圖

正在尋求可靠的真空系統 解決方案嗎?